Nullius in Verba
Independent verification by the Brain Preservation Foundation and the Survival and Flourishing Fund: the results so far
Cultivating independent verification
Extraordinary claims require extraordinary evidence. In my previous post, “Less Dead”, I said that my company, Nectome, has
“created a new method for whole-body, whole-brain, human end-of-life preservation for the purpose of future revival. Our protocol is capable of preserving every synapse and every cell in the body with enough detail that current neuroscience says long-term memories are preserved. It’s compatible with traditional funerals at room temperature and stable for hundreds of years at cold temperatures.”
In this post, we’ll dive into the evidence for these claims, as well as Nectome’s overall approach to cultivating rigorous, independent validation of our methods—a cornerstone of the kind of preservation enterprise I want to be a part of.
To get to the current state-of-the-art required two major developmental milestones:
Idealized preservation. A method capable of preserving the nanostructure of the brain for small and large animals under idealized laboratory conditions. Specifically, could we preserve animals well if we were allowed to perfectly control the time and conditions of death?
This work (2015-2018) resulted in a brand-new technique—aldehyde-stabilized cryopreservation—which was carefully independently vetted by Ken Hayworth of the Brain Preservation Foundation over a three day-long marathon session during which I preserved a rabbit and pig under his supervision. After, he reviewed multiple samples from both brains with electron microscopy. I published Aldehyde-Stabilized Cryopreservation in Cryobiology, and won the small- and large-mammal prizes from the BPF as a result. With this work, we had an existence proof: preserving entire brains long-term in nanoscale detail was absolutely achievable, at least under laboratory conditions.Real-world preservation. A method capable of preserving the nanostructure of the brain under realistic conditions. Specifically, could we extend the laboratory method to work under the legal requirements and practical limitations that constrain real-world human cases?
Adapting the technique to messy real-world conditions (2018-2025) took significantly more development, resulted in a bunch of insights about what is feasible and infeasible for human preservation, and shaped our entire approach to preservation going forward. In one memorable instance, once we finally had a technique that worked to our standard of rigor on pigs, we once again put it to the test in a marathon live demonstration. Andrew Critch, cofounder of the Survival and Flourishing Fund, personally witnessed the preservation of a rat under conditions that mimicked human preservation; the resulting brain samples were imaged in consultation with a microscopy lab at UC Berkeley and Professor Kasthuri at U Chicago. As a result of our demo, he recommended us for an investment, which we’ve since received. The real-world technique has been submitted as a preprint, Ultrastructural preservation of a whole large mammal brain with a protocol compatible with human physician-assisted death.
The rest of the post is dedicated to unpacking these results.
Five quick notes as we begin:
By popular demand, this post is specifically about nanostructural preservation quality—achieving a level of detailed preservation throughout the entire brain and body such that synapses are traceable to their originating neurons and subsynaptic details are retained as well as traditional fixation methods used in neuroscience research. I’ll postpone the argument that whole-body nanoscale preservation is sufficient for future revival, as it deserves its own post.
A draft version of this post has been reviewed by Ken Hayworth, president of the Brain Preservation Foundation, and he signed off on it as: “an accurate description of the Brain Preservation Foundation, its history, Ken’s personal motivation, and the results of the BPF’s two preservation prizes”. I’ve not substantially modified it since.
A draft version of this post has been reviewed by Andrew Critch, cofounder of the Survival and Flourishing Fund, and he signed off on it as: “an accurate description of his visit to Nectome to evaluate their preservation technology, and the later results.” Again, it’s not been substantially modified since.
Conflict of interest note: During grad school, I worked as a volunteer for the Brain Preservation Foundation for about a year. After learning more about brain preservation, I decided to quit as a volunteer and enter the prize myself, with Ken’s approval.
You may notice that some of the references I cite throughout this post attribute my work to my deadname, Robert McIntyre. Today I go by my chosen name, Aurelia Song.
In the lab: Ken Hayworth and the BPF
What is the Brain Preservation Foundation?
Ken Hayworth is a neuroscientist currently working at Janelia Research (part of HHMI, the Howard Hughes Medical Institute). In 2010, Ken started the Brain Preservation Foundation and launched the Brain Preservation Prize as a challenge to the neuroscience and cryonics community. He wanted to see researchers provide evidence that their preservation could work according to neuroscientifically reasonable standards.
As a connectomicist, Ken is used to looking at 3D models of brain tissue created with electron microscopy. These models are scanned from brains preserved with the kind of high-quality fixation that’s been standard in neuroscience for many years. After much serious thought about neuroscience, Ken has come to the conclusion that this level of physical preservation is overwhelmingly likely to capture the information necessary to restore a person in the future, and I’m inclined to agree. Again, I’ll get to this in an upcoming post.
But the electron micrographs coming from the cryonics community didn’t look like what he normally saw in the lab. There was no 3D analysis, just single frames. Worse, the tissue was severely dehydrated, making it difficult or impossible to tell whether the tissue was traceable, that is, whether each synapse could be traced back to its originating neurons.

To Ken and to me, this is an enormous issue. There are many ways a brain can be rendered untraceable, and comparatively few that preserve its structure. In the absence of evidence to the contrary, we have to default to the assumption that a brain is not traceable. That, in turn, calls into question whether the information preserved in the brain is adequate.
In addition to challenging the cryonics community, Ken wanted to extend a challenge to the neuroscience community. He hoped that, making use of their advanced protocols for preparing and analyzing brain tissue, they could design a technique to preserve people for later revival.
Ken was inspired by the successful Ansari X Prize to issue his challenge in the form of a prize. He raised $100,000 from a secret donor,1 and set out the prize rules: brains had to be preserved in a way that rendered them connectomically traceable, and had to be preserved so that they would very likely last for at least 100 years. There was a small version of the prize for a “small” mammal brain (think rabbit, mouse, or rat), and a “large” mammal brain (pig, sheep, etc) would win the whole thing.
I can’t overstate how influential the Brain Preservation Prize has been in advancing the field of preservation research. That $100,000 inspired me to build my protocol and led to millions of dollars of investment in better preservation. I’d love to see more scientific prizes; I think they help young people in research labs justify spending resources on important projects they’re passionate about. A young researcher, like me back in 2014, can go to her superior and say “it’s not just a personal project, it’s for this prize.”
A protocol that works under ideal conditions: Aldehyde-Stabilized Cryopreservation, 2015
When I started seriously looking into preservation techniques, it seemed to me that cryonics and neuroscience had opposite problems. Neuroscientists could almost instantly preserve a brain using aldehydes,2 but didn’t have a long-term strategy to keep that brain intact for a hundred years or more. Cryonicists, meanwhile, struggled to avoid damaging a brain when they perfused it with cryoprotectants, but knew how to cool a perfused brain to vitrification temperature and keep it there indefinitely.
The obvious solution was to combine the two methods. I could use fixation’s remarkable ability to stabilize biological tissue, buying time to infiltrate cryoprotectants into the brain slowly enough to avoid the crushing damage caused by rapid dehydration. Then, it would be safe to vitrify the brain for long-term preservation.
It took me about nine months to iron out all the details. The most difficult part was figuring out how to get cryoprotectants past the blood-brain barrier: it turned out that even very extended perfusion times, on their own, are not adequate to prevent dehydration. Eventually, though, I got the technique to work on rabbits (the “small mammal” model I was using). Modifying the protocol to work for pigs took me a single day and worked on the first try. I published the results of that research, Aldehyde-Stabilized Cryopreservation, in Cryobiology, the first step towards winning the Brain Preservation Prize.
Independent Verification by the Brain Preservation Foundation
The next step towards the prize required direct verification by the BPF. If you’re interested, you can read their full methodology here.
At this time, I was working at 21st Century Medicine. Ken Hayworth flew out to my location and joined me for a marathon three-day, dawn-to-dark session, during which I preserved, vitrified, rewarmed, and processed a rabbit and a pig. Whenever Ken wasn’t personally observing the brain samples, he secured them with tamper-proof stickers to preserve the chain of custody. When I had finished preparing the samples for electron microscopy, Ken personally performed the cutting and imaging of the samples back at Janelia.
This was a level of rigor I’d never observed before, certainly far beyond the peer review for the Cryobiology paper. This is something I admire about Ken, and I was grateful for it here. Preservation is worth being rigorous about!
The BPF prepared images using high-resolution focused ion beam milling and scanning electron microscopy (FIB-SEM). This technology produces resolutions of up to 4 nanometers; Ken scanned the prize submissions at 8 nm and 16 nm isotropic resolution. Together with the 3D nature of the images, this is sufficient to examine a brain sample and determine whether the synapses (typically about 100 nm wide) are traceable.
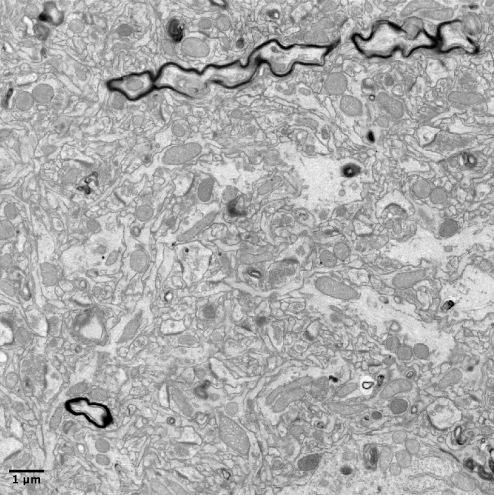
Of course, imaging a whole brain is well beyond our current capabilities. Ken compensated for this by analyzing many samples, randomly chosen from different regions of the brains. The BPF released all of the images and the original 3D data files, and they’re still available today. I’ve included the pig brains below, with youtube videos showing the 3D imaging in full. Each sample is from a brain that was preserved, vitrified, and rewarmed.
Ken Hayworth was joined on the BPF’s judging panel by Sebastian Seung, a Princeton/MIT neuroscientist, author of the book I am my Connectome, and a major contributor to the FlyWire project. Together, they reviewed the 3D images, judged their quality, and traced neurons through the image stacks. In the end, they agreed that I had won the prize.
Relevant links:
I present this as evidence that it’s possible to preserve large mammals brains in a traceable state, every synapse intact, and keep them stable for more than a hundred years (the ‘hundred years’ part we will address in a future post on the thermodynamics of preservation).3
But ASC is not the whole story, because it must be done pre-mortem. End-of-life laws throughout the world weren’t designed with preservation of terminally ill clients, and don’t allow ASC as an option. In order to create something workable, I had to either find a way to do preservation post-mortem, or work to incorporate ASC into end-of-life laws. I chose to make preservation work post-mortem.
In the field: Andrew Critch and the SFF
Making preservation work in the real world turned out to be conceptually easy. The original protocol needs three modifications to work post-mortem.
Cardiac arrest must happen quickly in order to avoid pre-mortem brain damage. We found that Medical Aid-in-Dying (MAiD) is required.
You must use blood-thinners before cardiac arrest.
You have to do the surgery fast. The perfusion needs to start less than about 12 minutes after death.
My dad used to tell me a story of a biology professor he had in college. The first day of class, the professor had everyone open their textbook and read the first paragraph in one of the last chapters. The professor then told everyone that it had taken him 30 years to write that paragraph. I now better understand how that professor must have felt. It took me nine months to create ASC. It took me nine years to modify it to work in our current legal context and write those three modifications above.
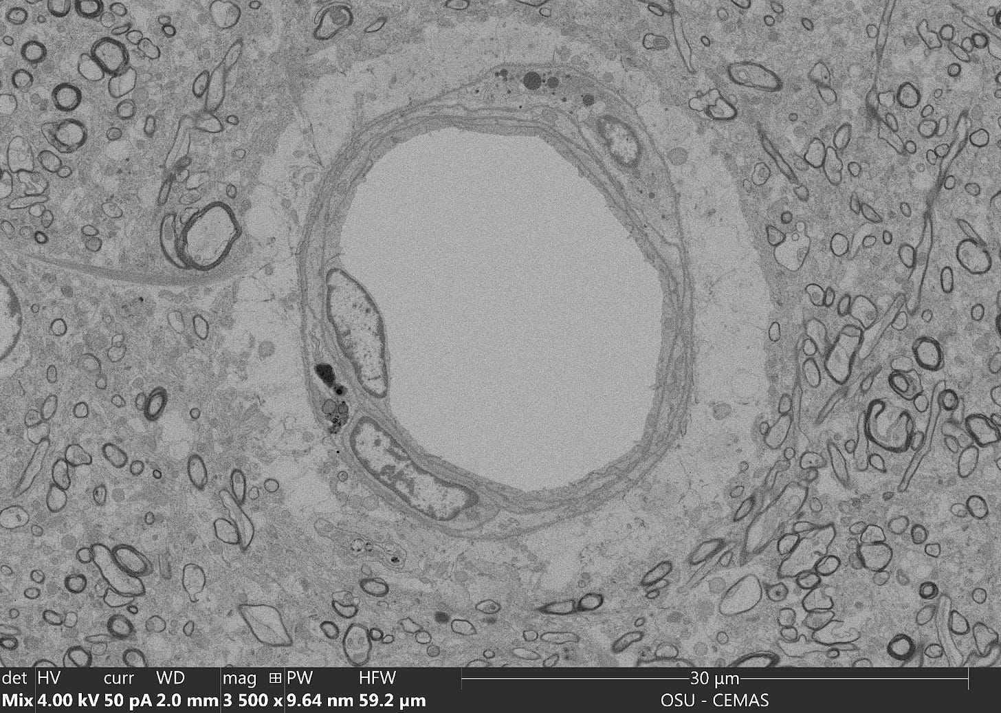
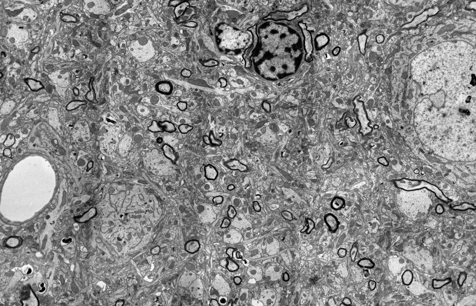
I won’t get into those nine years in this post. I do want to share an image, though, that I’m publishing here for the first time. As far as I know this is the best preserved whole human brain in the world, and it belongs to a 46-year-old man who died of ALS and chose to donate his body for scientific research. I perfused his body just 90 minutes post-mortem—much faster than typical emergency cryopreservation services, but well outside the twelve-minute ischemic window.

It is the best-preserved whole human brain I’ve ever seen. It is also—like every other human brain I preserved with any appreciable post-mortem delay—not traceable. It’s not a quality I (or the BPF) can accept. Looking at the degree of damage scares me.
I originally thought that humans might have a two-hour post-mortem preservation window. If that had been true, I would have probably worked to integrate preservation into hospices across the country. After reviewing the electron micrographs from animals and humans under various preservation conditions, it became clear that the hospice model was nonviable. We couldn’t wait for a person to die on their own timeline and only then begin our procedure. We’d need them to undergo a full process involving Medical Aid in Dying (MAiD)—and before we could promise any benefits from such a process, we needed to perfect it on animals.
It took a lot of refinement and expert consultation, but eventually we pinned down the twelve-minute window and blood thinner through a series of experiments on rats. We then streamlined the procedure so it could be done in less than ten minutes on pig carcasses, and finally demonstrated excellent post-mortem preservation in a pig model. We’ve just recently published the results:



Independent evaluation by the SFF
About this time, I was chatting with Andrew Critch, cofounder of the Survival and Flourishing Fund (SFF). Born from Jaan Tallinn’s philanthropic efforts, the SFF is dedicated to the long-term survival and flourishing of sentient life. They recommended $34MM of grants in 2025, including support for the AI Futures Project, Lightcone Infrastructure, and MIRI, among many others.
Andrew was interested in evaluating Nectome for an SFF grant. We talked it over and agreed on a third-party evaluation with real stakes: he’d travel to our lab in Vancouver, Washington to witness and evaluate a preservation first-hand, then bring the samples himself to an EM lab to scan them, and then ask a neuroscientist of his choice to review the sample quality. If he liked what he saw, he’d support our application to SFF’s grants team. If we didn’t live up to the quality we promised, he’d inform the team accordingly. (SFF uses a distributed grant-making process where each team member has a separate budget for making grant recommendations with substantial discretion.)
When Andrew arrived at our lab, we introduced him to our test rat,4 and he observed as I gave the test rat an injection of heparin (our blood thinner of choice), followed promptly by simulated medical aid-in-dying. He then timed us as I waited five minutes after the rat’s heart stopped, mimicking the time I would have spent performing surgery on a pig or a human.5
From there, we proceeded with the tedious 9-hour process: blood washout, fixation, and the slow ramp of cryoprotectants. Andrew watched from start to finish. It was late at night before the preservation was complete, and Andrew watched us remove the rat’s brain and perform a visual check for gross failures of perfusion. There were none.
At this point we could have simply placed the brain in cold storage and then handed off the tissue for further evaluation, but I wanted to demonstrate just how robust our current method is instead. I cut the brain into two hemispheres, put one in cold storage at -32°C (-26°F) as a demonstration of the effectiveness of the cryoprotectant at preventing ice formation, and put the other hemisphere in a laboratory oven at 60°C (140°F) overnight. Just as cold storage slows chemical processes, warmth accelerates them; twelve hours at 60°C is equivalent to, conservatively, a week at room temperature.
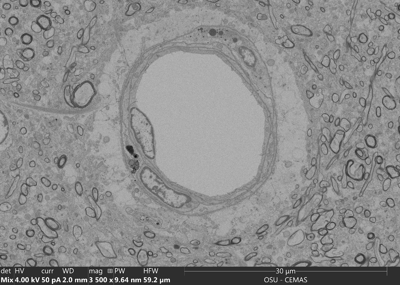
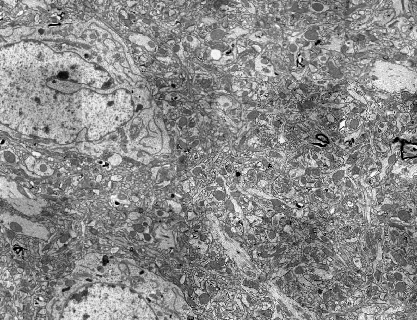
When we returned the next day, we sliced each hemisphere into paper-thin slices and Andrew spun up his quantum random number generator.6 He used it to randomly select four slices from each hemisphere for analysis. We sent him home with an introduction to Berkeley’s electron microscopy core facilities, which immediately started the week-long process of prepping the tissue for imaging including staining, resin embedding, and slicing into 90-nanometer sections.
After examining the electron micrographs and consulting with several neuroscientists, Andrew determined that our preservation was excellent, that the brain was connectomically traceable, and that both the “cold” and the “hot” slices were of near-identical preservation quality. He recommended us for a $550,000 investment, which we’ve since received.
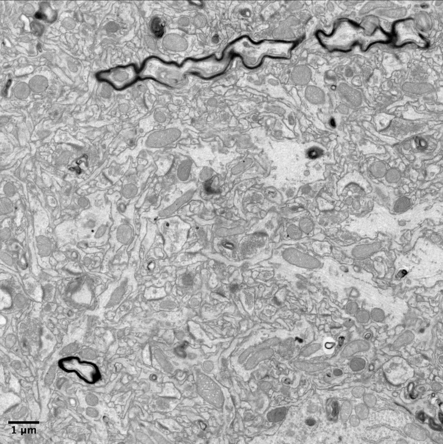
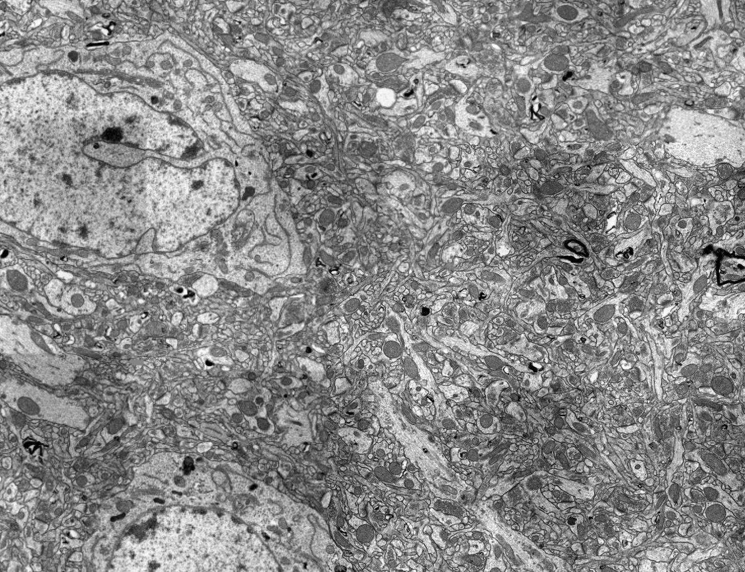
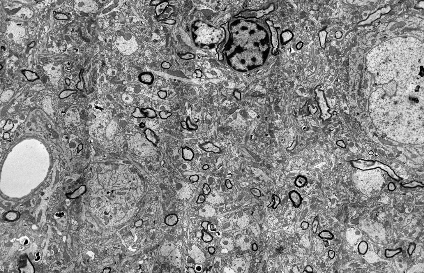
We’d like to present this data to you as well. The overall dataset obtained from Berkeley was massive; a single image from one of our samples is around 5 GB and requires special software to view. I’ve prepared two representative images using deepzoom, here:


Common choices are formaldehyde or glutaraldehyde.
ASC actually does better than preserving every synapse – it also retains virtually all proteins, nucleic acids, and lipids. I’ll get into the evidence for that in a later post.
We nicknamed the rat Chandra. Andrew was sad about us experimenting on animals, and asked us if we’d try to help preserve and reanimate non-human animals in the future, and of course we said yes!
I’ve actually recorded a time of 4 minutes 30 seconds in pigs. But I like to leave myself a little wiggle room.
I’ve never met someone else who routinely uses QRNGs for their decisions :)

